HUAJIA ELECTRICAL (GROUP) CO.,LTD.
Home 中 文 English E-mail
 
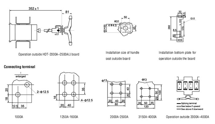
Product Show>>Fuse & Base :HDT1-1000A~4000A Load Isolation Switch>> HUAJIA Electrical (Group) Co., Ltd.
Product Show
Fuse & Base:HDT1-1000A~4000A Load Isolation Switch [Hits:792] 
HDT1-1000A~4000A Load Isolation Switch
 
 
 
 
 
 
Copyright © HUAJIA ELECTRICAL (GROUP) CO.,LTD. All Rights Reserved.
INDUSTRIAL  ELECTRIC

FACTORY: HUAJIA INDUSTRIAL PARK,WEI 15 ROAD,YUEQING ECONOMIC
  DEVELOPMENT ZONE, YUEQING, ZHEJIANG, CHINA 325604

  TEL: +86-577-62667777 62779779
  FAX: +86-577-62779118
  E-mail: sales@huajiagroup.com
  Web: www.huajiagroup.com

SHANGHAI EXPORTING CENTER:

  7F-A, 500 PUDONG ROAD(S), SHANGHAI, CHINA 200120
  TEL: +86-21-58761010
  FAX: +86-21-58768080
  E-mail: vecas@huajiagroup.com

About us
 
 
 
Service
   -Online

 
HR
  -Job
 

 

HUAJIA  ELECTRIC