HUAJIA ELECTRICAL (GROUP) CO.,LTD.
Home 中 文 English E-mail
 
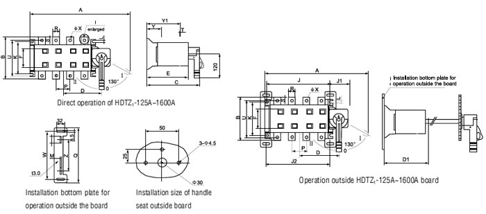
Product Show>>Fuse & Base :Change-over Load Isolation Switch>> HUAJIA Electrical (Group) Co., Ltd.
Product Show
Fuse & Base:Change-over Load Isolation Switch [Hits:818] 
Change-over Load Isolation Switch
 
 
 
Specification External Dimension and installation Dimension
HDTZ 1 -125A~1600A
A B C D D1
E
J
J1
J2
K
L
P
R
S
T
U
φX
Y
Y1
F
125A~160A/3
270
135
212
89
195
150
120
65
120
95
7
36
20
25
3.5
115
9
55
121
59
125A~160A/4
300
135 212
104
195
150
120
65
150
95
7
36
20
25
3.5
115
9
55
121
59
200A~250A/3
307
170
260
110
215
172
160
65
160
115
11
50
25
30
3.5
140
11
70
140
76
200A~250A/4
357
170
260
135
215
172
210
65
210
115
11
50
25
30
3.5
140
11
70
140
76
315A~400A/3
372
240
297
150
275
236
210
77
210
180
13
65
32
40
5 206
11
83
192
94
315A~400A/4
432
240
297
180
275
236
275
77
275
180
13
65
32
40
5 206
11
83
192
94
500A~630A/3
372
240
297
150
275
236
210 77
210 180
13
65
32
40
6
206
11
83
192
94
500A~630A/4
432
240
297
180
275
236
275
77
275
180
13
65
32
40
6
206
11 83
192
94
 
 
 
Copyright © HUAJIA ELECTRICAL (GROUP) CO.,LTD. All Rights Reserved.
INDUSTRIAL  ELECTRIC

FACTORY: HUAJIA INDUSTRIAL PARK,WEI 15 ROAD,YUEQING ECONOMIC
  DEVELOPMENT ZONE, YUEQING, ZHEJIANG, CHINA 325604

  TEL: +86-577-62667777 62779779
  FAX: +86-577-62779118
  E-mail: sales@huajiagroup.com
  Web: www.huajiagroup.com

SHANGHAI EXPORTING CENTER:

  7F-A, 500 PUDONG ROAD(S), SHANGHAI, CHINA 200120
  TEL: +86-21-58761010
  FAX: +86-21-58768080
  E-mail: vecas@huajiagroup.com

About us
 
 
 
Service
   -Online

 
HR
  -Job
 

 

HUAJIA  ELECTRIC