TCD/HEB/HQD Moulded Case Circuit Breaker
|
 |
| |
Application
|
| |
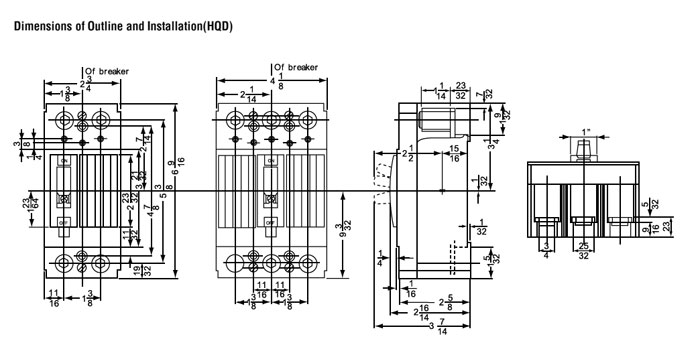
TCD\HEB\HQD Series moulded case circuit breaker is one of our new type products developed and manufactured by adopting international advanced technology. It is supplied with rated insulating voltage 660V and used for circuit of A.C.50Hz, rated operating voltage AC 380V. (Or below), rated operating current up to 225A for infrequent changing over and starting of the motors. Equipped with the protection devices for over-current, short circuit and under voltage, the
products capable are capable of preventing of preventing damage of circuits and supply units.
|
| |
Main Technical Specifications
|
| |
Type
|
Pole
|
Rated current of trip (In A)
|
Rated insulation voltage
|
TCD
|
3 |
30,40,50,60,70,100
|
600V
|
HEB
|
3 |
30,40,50,60,70,100
|
HQD
|
3 |
125,150,175,200,225
|
|
| |
Type
|
Rated operating voltage
|
TCD
|
240V
|
HEB
|
380V
|
HQD
|
660V
|
|
| |
 |
| |
|